产品分类
产品详情您的位置:首页 > 供应产品 > 称重测力传感器 > 单点式传感器LFP-17
![]() |
|
产品特点及用途:
单点式铝合金制称重传感器。精度高,抗偏载能力强,结构简单,容易安装。
适用于电子称,电子天平及工业称重系统。
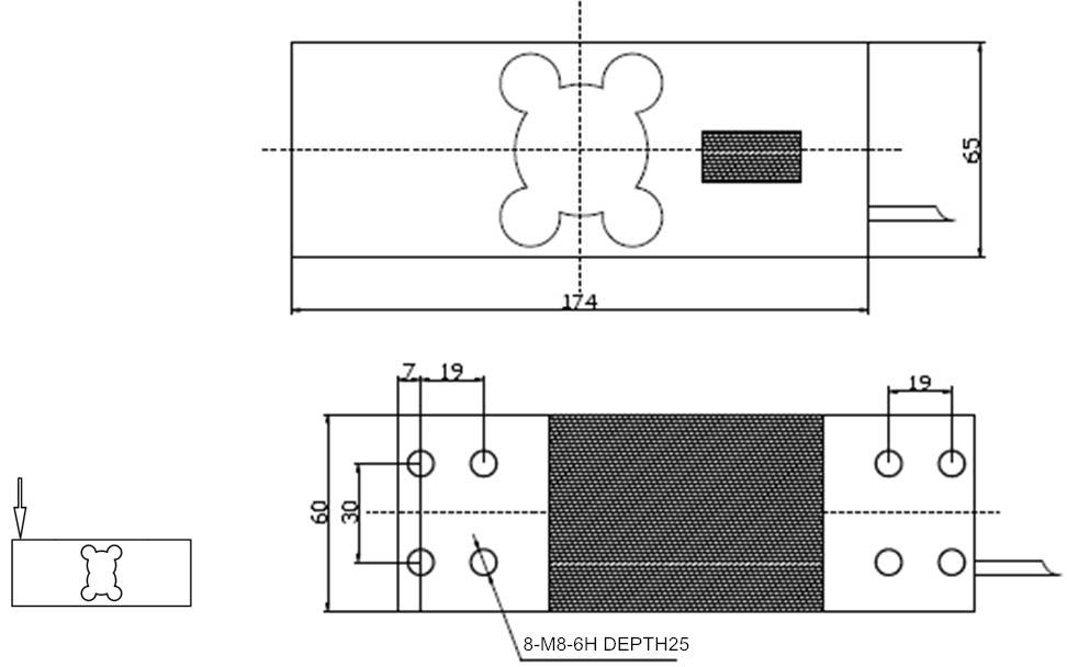
产品量程及尺寸图纸:

产品主要的技术参数:
量程 Capacity
0~50,60,100,150,200,300,500,600,750kg
材质 Material
铝合金Aluminum
输出灵敏度 Rated Output
2.0±10%mV/V
输出电阻 Output Impedance
350± 3Ω
零点输出 Zero Balance
± 2 % F.S.
绝缘电阻 Insulation
≥5000MΩ/100VDC
非线性
Non-linearity
0.03% F.S.
使用电压
Recommended Excitation
10V
滞后 Hysteresis
0.03% F.S.
最大使用电压 Maximum Excitation
15V
重复性
Repeatability
0.03% F.S.
温度补偿范围
Compensated Temp Range
- 10 ~ 60℃
蠕变 (30分钟)
Creep (30min)
0.03% F.S.
工作温度 范围
Operating Temp Range
- 20 ~ 80 ℃
温度灵敏度漂移
Temp Effect on Output
0.025% F.S. / 10℃
安全超载
Safe Load Limit
120%
零点温度漂移
Temp Effect on Zero
0.025% F.S. / 10℃
极限超载
Ultimate Load Limit
150%
输入电阻 Input Impedance
406±30Ω
电缆线尺寸 Cable Size
φ5x 3m
TEDS 可选
其他信息:
如您有其他的需要,如量程、尺寸、安装位置、内置变送器等其他要求,请于我们联系,我们可为您量身定做。
也欢迎您来我司莅临指导。
上一条:S型传感器LFS-01A
- 应变式称重传感器的分类和特点2018-11-24
- 如何进行称重传感器选型?2018-11-23
- 拉力传感器和称重传感器安装使用注意事项2018-11-22
- 平行梁式称重传感器应用领域2018-11-10






