产品分类
产品详情您的位置:首页 > 供应产品 > 多轴力传感器 二维力传感器 三维力传感器 > 三轴力传感器LF-303B
![]() |
|
产品特点及用途:
本产品可以分别测出空间三个方向的受力,具有高灵敏度,相互干扰小等优点。
可应用于铣床磨床加工过程中刀具三个方向受力检测,机器人抛光三轴力的检测。
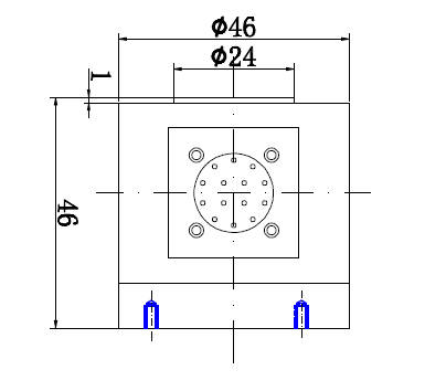
产品量程及尺寸图纸:
产品主要的技术参数:
|
量程 Capacity |
X:5/10/20/50kg Y:5/10/20/50kg Z:5/10/20/50/100kg |
材质 Material |
不锈钢Stainless Steel |
|
输出灵敏度 Rated Output |
1.0±10%mV/V |
输出电阻 Output Impedance |
350(700)± 3Ω |
|
零点输出 Zero Balance |
± 2 % F.S. |
绝缘电阻 Insulation |
≥5000MΩ/100VDC |
|
非线性 Non-linearity |
1.0% F.S. |
使用电压 Recommended Excitation |
5-10V |
|
滞后 Hysteresis |
1.0% F.S. |
最大使用电压 Maximum Excitation |
15V |
|
重复性 Repeatability |
1.0% F.S. |
温度补偿范围 Compensated Temp Range |
- 10 ~ 60 ℃ |
|
蠕变 (30分钟)Creep (30min) |
0.05% F.S. |
工作温度 范围 Operating Temp Range |
- 20 ~ 80 ℃ |
|
温度灵敏度漂移Temp Effect on Output |
0.05% F.S. / 10 ℃ |
安全超载 Safe Load Limit |
120% |
|
零点温度漂移 Temp Effect on Zero |
0.05% F.S. / 10 ℃ |
极限超载 Ultimate Load Limit |
200% |
|
输入电阻 Input Impedance |
350(700)Ω |
电缆线尺寸 Cable Size |
12 Pin Connetor |
其他信息:
如您有其他的需要,如量程、尺寸、安装位置、内置变送器等其他要求,请于我们联系,我们可为您量身定做。
也欢迎您来我司莅临指导。
上一条:柱式传感器LF-609
下一条:微型拉压式传感器LFT-F05
- 三维力传感器工作原理介绍2019-08-07
- 三轴力传感器用于太阳板受力分析2018-07-13




