产品分类
产品详情您的位置:首页 > 供应产品 > 微型压式测力传感器 > 微型压力传感器LFC-2B
![]() |
|
LFC-2B微型压力传感器拥有车轮式内部结构,底部有四个螺纹孔方便安装。不锈钢材料,使其具有良好的稳定性,线性可达0.05%F.S.
本产品一般适合于较大量程使用,禁锢螺母出线,内部胶水密封具有高等级的防水性能。多用于试验机、汽车衡、料斗秤、仓储称、工业测试系统等领域。
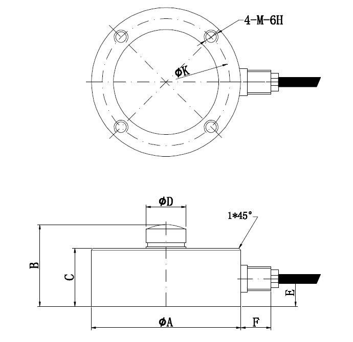
产品量程及尺寸图纸:
量程(t)
A
B
C
D
E
F
K
M
Weight
0.25-10
80
44
32
22
14
14
68
M8
15-20
100
48
36
28
14
14
80
M8
30
126
54
40
35
14
14
101
M10
50-100
165
80
62
60
26
14
136
M12
产品主要的技术参数:
量程 Capacity
0-100t
材质 Material
不锈钢Stainless Steel
输出灵敏度 Rated Output
2.0±10%mV/V
输出电阻 Output Impedance
700± 3Ω
零点输出 Zero Balance
± 2%F.S.
绝缘电阻 Insulation
≥5000MΩ/100VDC
非线性 Non-linearity
0.1%F.S.
使用电压 Recommended Excitation
5-10V
滞后 Hysteresis
0.1%F.S.
最大使用电压 Maximum Excitation
15V
重复性
Repeatability
0.1%F.S.
温度补偿
Compensated Temp Range
-10~60 ℃
蠕变 (30分钟)
Creep (30min)
0.05%F.S.
工作温度 范
Operating Temp Range
-20~80 ℃
温度灵敏度漂移Temp Effect on Output
0.05%F.S./10℃
安全超载
Safe Load Limit
120%
零点温度漂移
Temp Effect on Zero
0.05%F.S./10℃
极限超载
Ultimate Load Limit
150%
输入电阻
Input Impedance
750±5Ω
电缆线尺寸 Cable Size
φ 5x 3m
电缆线连接方式
Wire Connection
Ex + : 红 Red; Ex - : 黑 Black; Sig + : 绿 Green; Sig - : 白 White
其他信息:
如您有其他的需要,如量程、尺寸、安装位置、内置变送器等其他要求,请于我们联系,我们可为您量身定做。
也欢迎您来我司莅临指导。
上一条:S型传感器LFS-01B
下一条:压力传感器变送器LP-9T
- 轮辐式称重传感器的特点及优缺点分析2018-09-12
- 轮辐式称重传感器2018-04-28
- 轮辐式传感器生产厂家2017-12-18
- 轮辐式传感器安装方法2017-11-24





