产品分类
产品详情您的位置:首页 > 供应产品 > 液压/气压传感器 > 数显压力变送器LP-9D
![]() |
|
数显压力变送器
产品特点及用途:
LP-9T系列通用压力传感器/变送器,接管嘴采用不锈钢材质或铝合金,具有很强的抗腐蚀性和长期稳定性。
传感器在宽温度范围内进行了温度补偿,保证了传感器的技术指标。有多种压力接口螺纹形式和接线方式,
能最大限度的满足客户需要。广泛应用于气压/液压测控系统、工业设备、医疗设备、制冷设备、恒压供水、过程控制等领域。
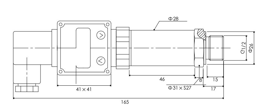
产品量程及尺寸图纸:
产品主要的技术参数:
| 量程 Measuring Range | 0~10KPa~250MPa | 桥路阻抗Bridge Resistance | 1000 ohms±10% |
| 精度 Accuracy | ±0.25%FS; ±0.5%FS |
温度范围 Temperature |
-40C~105C |
|
供电电压 Excitation Voltage |
24Vdc (9~36Vdc) | 过载压力Overload Pressure | 1.5×FS |
| 输出Output | 4~20mA | 电气连接Electrical connection | DIN43650 |
| 重复性 Repeatability | ±0.1%FS |
加载阻抗 Load Resistance |
1000Ω @10~36 Vdc |
| 过程连接Process Connection | G1/4; M14×1.5; M18×1.5; M20×1.5; G3/4 |
其他信息:
如您有其他的需要,如量程、尺寸、安装位置、内置变送器等其他要求,请于我们联系,我们可为您量身定做。
也欢迎您来我司莅临指导。
上一条:S型传感器LFS-3A
下一条:微型压式传感器LFC-3M-XX
发布时间:2015-12-22 0:00:00
相关新闻
相关产品



