产品分类
产品详情您的位置:首页 > 供应产品 > 轮辐压式测力传感器 > 轮辐压式传感器LFC-181
![]() |
|

产品特点及用途:
主要应用于: 试验机、压装机、油压机、冷热压机、电子吊钩秤料斗秤等各类电子称重设备和拉压力检测设备
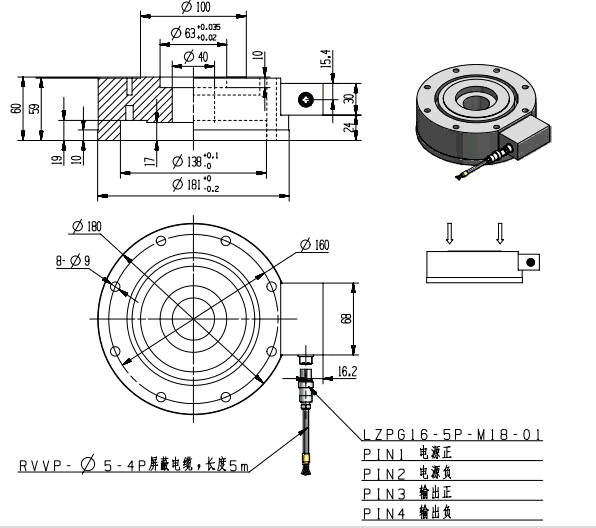
产品量程及尺寸图纸:

产品主要的技术参数:
|
量程 |
0~10,15,20,34t |
材质 |
不锈钢 |
|
输出灵敏度 |
1.0±10%mV/V |
阻抗 |
350 or 700 Ω |
|
零点输出 |
±2%F.S. |
绝缘电阻 |
≥5000MΩ/100VDC |
|
非线性 |
0.5%F.S. |
使用电压 |
10-15V |
|
滞后 |
0.5%F.S. |
工作温度范围 |
-20~80℃ |
|
重复性 |
0.5%F.S. |
安全过载 | 120% |
|
蠕变 (30分钟) |
0.05%F.S. |
极限过载 | 200% |
|
温度灵敏度漂移 |
0.05%F.S./10℃ |
电缆线规格 |
φ5x 3m |
|
零点温度漂移 |
0.05%F.S./10℃ |
TEDS 可选 |
|
其他信息:
如您有其他的需要,如量程、尺寸、安装位置、内置变送器等其他要求,请于我们联系,我们可为您量身定做。
也欢迎您来我司莅临指导。
上一条:柱式传感器LF-605B
下一条:微型压式传感器LFC-15
相关标签:测力传感器,
发布时间:2016-4-15 0:00:00
相关新闻
- 动态力测量传感器的选用2020-03-07
- 测力传感器在自动化测力系统中的应用2018-12-04
- 应变式测力传感器的测量2018-11-24
- 小型测力传感器2018-10-31
相关产品






