产品分类
产品详情您的位置:首页 > 供应产品 > 拉压式柱式传感器 > 柱式传感器LF-602
![]() |
|
产品特点及用途:
力准传感提供的柱式传感器具有高精度、高动态响应、体积小等特点。两端螺纹接口,可用于测试拉压力。
本产品主要应用于拉压力电子测力系统等领域。
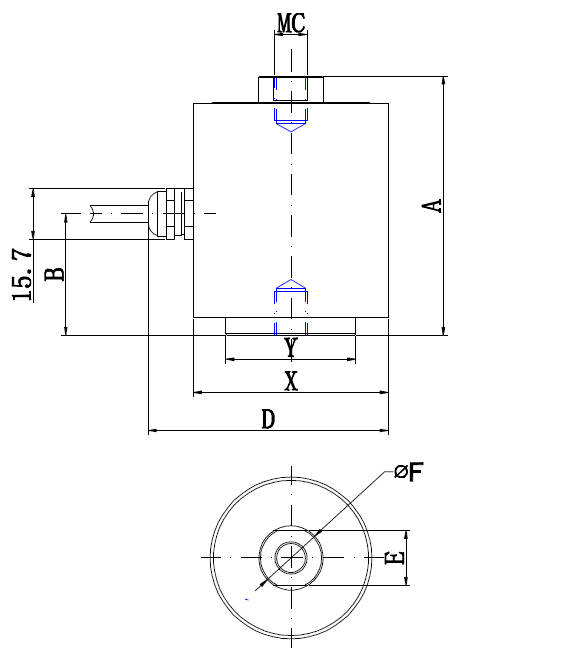
产品量程及尺寸图纸:
| Range | A | B | C | D | E | F | X | Y | Weight |
| 50/100/150/200/500kg | 80 | 37.5 | M10*1.5-6H | 74 | 20 | 17 | 60 | 40 | |
| 1000/2000/3000kg | 120 | 45 | M20*1.5-6H | 74 | 36 | 30 | 60 | 40 |
产品主要的技术参数:
|
量程 Capacity |
0--3000kg |
材质 Material |
铝合金/合金钢Aluminum/Stainless Steel |
|
输出灵敏度 Rated Output |
2.0±10%mV/V |
输出电阻 Output Impedance |
350± 5Ω |
|
零点输出 Zero Balance |
± 2 % F.S. |
绝缘电阻 Insulation |
≥5000MΩ/100VDC |
|
非线性 Non-linearity |
0.05% F.S. |
使用电压 Recommended Excitation |
5-10V |
|
滞后 Hysteresis |
0.05% F.S. |
最大使用电压 Maximum Excitation |
15V |
|
重复性 Repeatability |
0.05% F.S. |
温度补偿范围 Compensated Temp Range |
- 10 ~ 60℃ |
|
蠕变 (30分钟)Creep (30min) |
0.05% F.S. |
工作温度 范围 Operating Temp Range |
- 20 ~ 80 ℃ |
|
温度灵敏度漂移Temp Effect on Output |
0.05% F.S. / 10℃ |
安全超载 Safe Load Limit |
120% |
|
零点温度漂移 Temp Effect on Zero |
0.05% F.S. / 10℃ |
极限超载 Ultimate Load Limit |
200% |
|
输入电阻 Input Impedance |
385±15Ω |
电缆线尺寸 Cable Size |
φ 5x 3m |
|
TEDS 可选 |
|
||
其他信息:
如您有其他的需要,如量程、尺寸、安装位置、内置变送器等其他要求,请于我们联系,我们可为您量身定做。
也欢迎您来我司莅临指导。
上一条:变送器放大器LZ-700
下一条:微型压式传感器LFC-10
- 柱式传感器的分类有哪些2018-10-16
- 柱式传感器和桥式传感器优缺点对比2018-10-12
- 柱式称重传感器的特点缺点2018-09-12
- 柱式传感器外形结构有哪些2018-06-22





