产品分类
产品详情您的位置:首页 > 供应产品 > 拉压式柱式传感器 > 柱式传感器LF-602A
![]() |
|
产品特点及用途:
力准传感提供的柱式传感器具有高精度、高动态响应、体积小等特点。两端螺纹接口,可用于测试拉压力。
本产品可试用于拉压力电子测力系统等领域。
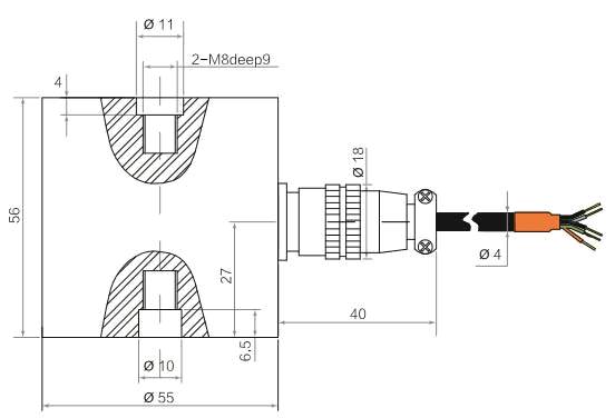
产品量程及尺寸图纸:
产品主要的技术参数:
|
量程 Capacity |
0-5/10/20/30kg |
材质 Material |
铝合金Aluminum |
|
输出灵敏度 Rated Output |
2.0±10%mV/V |
输出电阻 Output Impedance |
350± 5Ω |
|
零点输出 Zero Balance |
± 2 % F.S. |
绝缘电阻 Insulation |
≥5000MΩ/100VDC |
|
非线性 Non-linearity |
0.05% F.S. |
使用电压 Recommended Excitation |
10V |
|
滞后 Hysteresis |
0.05% F.S. |
最大使用电压 Maximum Excitation |
15V |
|
重复性 Repeatability |
0.05% F.S. |
温度补偿范围 Compensated Temp Range |
- 10 ~ 60 ℃ |
|
蠕变 (30分钟) Creep (30min) |
0.05% F.S. |
工作温度 范围 Operating Temp Range |
- 20 ~ 80 ℃ |
|
温度灵敏度漂移Temp Effect on Output |
0.05% F.S. / 10℃ |
安全超载 Safe Load Limit |
120% |
|
零点温度漂移 Temp Effect on Zero |
0.05% F.S. / 10℃ |
极限超载 Ultimate Load Limit |
150% |
|
输入电阻 Input Impedance |
410±30Ω |
电缆线尺寸 Cable Size |
φ 4x 3m |
|
电缆线连接方式Wire Connection |
Ex + :Pin1 红 Red; Ex - : Pin2黑 Black; Sig + : Pin3绿 Green; Sig - : Pin4白 White |
||
其他信息:
如您有其他的需要,如量程、尺寸、安装位置、内置变送器等其他要求,请于我们联系,我们可为您量身定做。
也欢迎您来我司莅临指导。
上一条:微型拉式传感器LFT-13B
下一条:变送器放大器LZ-700A
- 柱式传感器的分类有哪些2018-10-16
- 柱式传感器和桥式传感器优缺点对比2018-10-12
- 柱式称重传感器的特点缺点2018-09-12
- 柱式传感器外形结构有哪些2018-06-22





